SAE J516 / ISO 12151-1



Código: 118344912
Essa solução é especialmente indicada para manutenções em campo, sendo amplamente utilizada em máquinas de colheita de cana-de-açúcar e operações florestais, onde agilidade, confiabilidade e redução de erros operacionais são fatores críticos.
Os terminais hidráulicos One Piece, também conhecidos como terminais com capa pré-crimpada, são uma das soluções mais recentes distribuídas pela Kiko-Flex para o mercado nacional, desenvolvidas pela Manuli Hydraulics. Essa tecnologia oferece vantagens relevantes em relação aos terminais prensáveis convencionais com capas avulsas.
Por não exigirem o descasque da cobertura na área de prensagem, os terminais One Piece simplificam o processo de montagem, eliminam a necessidade de máquinas específicas para descasque ou inserção da capa e reduzem significativamente o risco de falhas durante a montagem das mangueiras hidráulicas.
Todos os produtos fornecidos pela Kiko-Flex são submetidos a rigorosos controles de qualidade e atendem às principais normas técnicas e exigências de segurança do setor hidráulico.
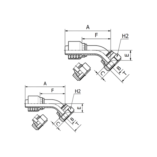
| ø | Medidas mm. | Rosca | Ref. Comercial | Código Interno | ||||||
| pol. | bitola | B | A | C | E | F | H₂ | |||
| 1/4″ | -4 | 4,0 | 58,5 | 8,2 | 10,5 | 31,0 | 17,0 | 9/16″-18 | OPF22443-04A04 | 118344912-04-04 |
| 1/4″ | -4 | 7,0 | 58,5 | 9,5 | 10,5 | 31,0 | 22,0 | 11/16″-16 | OPF22443-04A06 | 118344912-06-04 |
| 5/16″ | -5 | 7,0 | 62,0 | 9,5 | 10,5 | 34,0 | 22,0 | 11/16″-16 | OPF22443-05A06 | 118344912-06-05 |
| 3/8″ | -6 | 6,0 | 61,5 | 9,5 | 11,0 | 32,5 | 22,0 | 11/16″-16 | OPF22443-06A06 | 118344912-06-06 |
| 3/8″ | -6 | 9,3 | 63,0 | 11,0 | 12,5 | 34,0 | 24,0 | 13/16″-16 | OPF22443-06A08 | 118344912-08-06 |
| 1/2″ | -8 | 7,0 | 63,5 | 9,5 | 11,0 | 32,5 | 22,0 | 11/16″-16 | OPF22441-08A06 | 118344912-06-08 |
| 1/2″ | -8 | 9,0 | 73,0 | 11,0 | 13,0 | 42,0 | 24,0 | 13/16″-16 | OPF22443-08A08 | 118344912-08-08 |
| 1/2″ | -8 | 11,5 | 73,0 | 13,5 | 13,5 | 42,0 | 30,0 | 1″-14 | OPF22443-08A10 | 118344912-10-08 |
| 1/2″ | -8 | 13,9 | 78,0 | 14,5 | 18,5 | 46,5 | 36,0 | 1.3/16″-12 | OPF22443-08A12 | 118344912-12-08 |
| 5/8″ | -10 | 11,5 | 83,5 | 13,5 | 16,0 | 49,0 | 30,0 | 1″-14 | OPF22443-10A10 | 118344912-10-10 |
| 5/8″ | -10 | 13,9 | 86,0 | 14,5 | 18,5 | 51,5 | 36,0 | 1.3/16″-12 | OPF22443-10A12 | 118344912-12-10 |
| 3/4″ | -12 | 11,5 | 87,0 | 13,5 | 16,5 | 50,5 | 30,0 | 1″-14 | OPF22441-12A10 | 118344912-10-12 |
| 3/4″ | -12 | 13,9 | 97,0 | 14,5 | 21,5 | 60,5 | 36,0 | 1.3/16″-12 | OPF22443-12A12 | 118344912-12-12 |
| 3/4″ | -12 | 19,8 | 96,5 | 14,8 | 21,0 | 60,0 | 41,0 | 1.7/16″-12 | OPF22443-12A16 | 118344912-16-12 |
| 1″ | -16 | 19,8 | 120,0 | 14,8 | 23,5 | 72,0 | 41,0 | 1.7/16″-12 | OPF22443-16A16 | 118344912-16-16 |
| 1″ | -16 | 26,0 | 122,0 | 14,8 | 25,0 | 74,0 | 50,0 | 1.11/16″-12 | OPF22443-16A20 | 118344912-20-16 |
Preencha o formulário ao lado para entrar em contato com um especialista da Kiko-Flex.
Preencha o formulário abaixo e receba o catálogo completo no seu e-mail